TE30 Lite
Przenośny trójfazowy analizator sieci i tester liczników energii i przekładników
Tester liczników energii klasy 0,2%. Trójfazowy tester przekładników prądowych i analizator jakości energii. Umożliwia sprawdzanie liczników energii na obiekcie lub w laboratorium.
Tester TE30 Lite jest naszym najnowszym analizatorem łączącym w 1 urządzeniu 4 funkcje:
- Trójfazowy Analizator Sieci (funkcja Basic)
- Tester Liczników Energii (funkcja Basic)
- Tester Przekładników (funkcja TT)
- Analizator Jakości Energii (funkcja REC)
Tester TE30 Lite to kontynuacja TE30 Przenośnego Trójfazowego Licznika Wzorcowego i Analizatora Jakości Energii
Tester TE30 oferuje wszystko czego potrzebujesz a nawet więcej:
- Wysoka dokładność: trójfazowy licznik wzorcowy klasy 0,2%
- Szeroki zakres wejść pomiarowych: 0,05-600V i 0,01-3000A z cęgami
- Szybkie pomiary, analizy i raporty WSZYSTKICH parametrów jakości energii
- Automatyczne testy liczników energii, przekładników napięciowych (PT, VT) i prądowych (CT)
- Łatwa do przenoszenia kaseta transportowa mieszcząca TE30 Lite z akcesoriami, wszystko gotowe do użycia na obiekcie tuż po otwarciu pokrywy
- Profesjonalny serwis i wsparcie techniczne (bez znaczenia czy masz skomplikowany czy błahy problem)
- Konkurencyjna cena w porównaniu do oferowanych możliwości
Przeczytaj Kartę katalogową i pozostałe informacje na naszej stronie aby poznać wszystkie funkcje Testera TE30 Lite:
Funkcje pomiarowe:
- pomiary parametrów sieci energetycznej wyświetlane w formie tabeli, wykresu wektorowego, oscyloskopowego, słupkowego i trendu
- testowanie liczników energii - błędów licznika, błędów liczydła, testowanie mocy maksymalnych Pmax dla wszystkich typów liczników (z tarczą, LED, LCD, S0)
- testowanie trójfazowych przekładników CT i PT (VT) - testowanie błędu przekładni, błędu kątowego i obciążalności z uwzględnieniem rezystancji przewodów
- pomiar do 63 harmonicznych i interharmonicznych z uwzględnieniem amplitud i faz
- obliczanie wszystkich typów energii czynnej, biernej i pozornej: P, P+, P-, Q, Q+, Q-, S, PH1, PH1+, PH1-, QH1, QH1+, QH1-
- rejestracja i analiza parametrów jakości energii zgodnie z IEC 61000-4-30: zapady, przepięcia, zaniki, asymetria napięć, migotanie światła
Inne zalety:
- wymienne, elektronicznie skompensowane cęgi umożliwiają wzorcowanie, serwis i późniejsze ich dokupienie bez konieczności odesłania analizatora do producenta oraz zamianę cęgów między różnymi egzemplarzami Testera TE30 Lite
- zasilanie: z zasilacza sieciowego: wejście: 85-265V/47-63Hz AC, wyjście 5-12V/1.5A DC
- niska waga: 1,6kg (3,5lbs)
- duży 7-calowy 800x480 kolorowy ekran dotykowy LCD, łatwy w obsłudze w rękawiczkach ochronnych
- funkcja zrzutu ekranu i wydruku ekranu
- interfejsy: USB, Ethernet i Bluetooth do komunikacji z drukarką, komputerem PC, tabletem lub do połączenia z Internetem
- karta pamięci SD do 32GB
- drukowanie raportów z pomiarów i zrzutów ekranów bezpośrednio na obiekcie przy użyciu bezprzewodowej drukarki
- pomoc kontekstowa ze schematami układów pomiarowych
- wejście i wyjście impulsowe do 200kHz z automatycznym wyliczaniem stałej impulsowej w imp/kWh, imp/Wh, Wh/imp i Hz dla każdego typu mocy
- konfiguracja pomiarowa TE30 Lite może być zmieniana w dowolnym czasie
- gwarancja producenta
- świadectwo wzorcowania
Przenośny Trójfazowy Tester Liczników TE30 Lite jest wyposażony w duży 7-calowy kolorowy ekran dotykowy LCD do ustawień i prezentacji pomiarów. TE30 Lite umożliwia zapis na karcie pamięci SD wyników pomiarów oraz zrzutów ekranu w postaci plików BMP, a także wydruk raportów pomiarowych bezpośrednio na drukarce z Bluetooth.
Analizator TE30 Lite może być również podłączony do komputera PC lub tabletu przez interfejs USB, Bluetooth lub LAN i sterowany przez program TE30 PC-Soft.
TE30 jest uniwersalnym urządzeniem, które może być stosowane jako:
- Trójfazowy Analizator Sieci
- Tester Liczników Energii
- Tester Przekładników
- Analizator Jakości Energii IEC 61000-4-30
Trójfazowy Analizator Sieci
Analizator TE30 Lite służy do pomiaru i wyświetlania w czasie rzeczywistym wszystkich parametrów sieci energetycznej. Dane mogą być wyświetlane na cztery różne sposoby: w tabeli, na wykresie wektorowym, na przebiegu oscyloskopowym i w formie wykresu słupkowego.
Tester Liczników Energii
Tester TE30 Lite posiada automatyczną i łatwą w obsłudze funkcję testowania liczników energii. TE30 Lite umożliwia testowanie błędu licznika, test liczydła i test Pmax bezpośrednio na obiekcie przy zastanym obciążeniu sieci.
Możliwy jest pomiar energii dla mocy czynnej, biernej i pozornej P, P+, P-, Q, Q+, Q-, S i energii pierwszej harmonicznej mocy czynnej i biernej PH1, PH1+, PH1-, QH1, QH1+, QH1-.
Tester Przekładników (funkcja TT)
Tester Liczników TE30 Lite służy do automatycznego testowania bezpośrednio na obiekcie przekładników prądowych (CT) i napięciowych (PT) w sieciach niskiego nn oraz średniego napięcia SN.
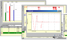
Analizator Jakości Energii IEC 61000-4-30 (funkcja REC)
Do pomiarów parametrów jakości energii w czasie rzeczywistym może być wykorzystana standardowa funkcja Trojfazowy Analizator Sieci
Dodatkowo specjalna funkcja Wyświetlania Wykresu Trendu pozwala na łatwą wizualizację wyników pomiarów w czasie rzeczywistym.
Program TE30-PC Soft
Program TE30-PC Soft jest zaawansowanym oprogramowaniem rozszerzającym funkcjonalność TE30 Lite o połączenie zdalne przez interfejs USB, Bluetooth lub Ethernet i umożliwia korzystanie z pełnej gamy testów i analiz. Program jest dedykowany dla komputerów PC z systemem operacyjnym Windows 2000/XP/Vista/7/8/10 i dla tabletów z systemem Windows 8.1/10.
Program TE30-PC Soft służy do zdalnego sterowania i monitorowania analizatora i umożliwia:
- Pomiar i rejestrację parametrów sieci we wszystkich trzech fazach z ich wyświetlaniem w formie liczbowej, wykresu wektorowego i oscyloskopowego,
- Sprawdzenie poprawności połączeń sieci z pomiarem i rejestracją parametrów sieci i wyświetlaniem: wektorów napięć i prądów w trzech fazach, wektorów napięcia i prądu neutralnego, kierunku wirowania faz;
- Testowanie liczników energii bezpośrednio na obiekcie;
- Testowanie bezpośrednio na obiekcie przekładników prądowych (CT) i napięciowych (PT) w sieciach niskiego nn oraz średniego napięcia SN jednocześnie w trzech fazach,
- Pomiar parametrów jakości energii zgodnie z IEC 61000-4-30,
- Zapis, eksport do MS Excel, kopiowanie do schowka i wydruk wyników pomiarów i testów.
Zestawy TE30 Lite:
Wyposażenie opcjonalne:
| Funkcja TT –Testowanie przekładników Rozszerzająca funkcjonalność TE30 Lite o testowanie przekładników. Umożliwia wykonanie testu obciążalności, błędu kątowego oraz przekładni zarówno przekładników napięciowych PT jak i prądowych CT. |
||
| Funkcja REC - Rejestracja parametrów sieci Rozszerzająca funkcjonalność TE30 Lite o rejestrację parametrów sieci. Rejestrowane parametry można wybierać indywidualnie lub automatycznie zgodnie z wymaganiami normy EN 50160. |
||
|
CF106 - Uniwersalna fotogłowica
|
||
| DR200D - Drukarka Miniaturowa drukarka termiczna z Bluetooth i akumulatorem. |
||
| EA35 - Zestaw bezpiecznych przewodów pomiarowych 4 szt. przewodów napięciowych. |
||
| EA23 - Akcesoria do przewodów bezpiecznych do 20A Akcesoria dodatkowe (końcówki i chwytaki) dla przewodów bezpiecznych. Umożliwiają wygodne podłączenie do zacisków. |
|
|
|
CT100AC - Elektronicznie skompensowane cęgi 120A (1 zestaw). |
||
| CT1000AC.B - Elektronicznie skompensowane cęgi 1000A Elektronicznie skompensowane cęgi do pomiaru prądu do 1000A (1 zestaw). |
||
| FCT3000AC.B - Elektronicznie skompensowane cęgi elastyczne 3000A Cęgi elastyczne do pomiaru prądu w zakresach 30/300/3000A w trudno dostępnych miejscach (1 zestaw). |
||
| ALW2000AC - sondy prądowe do 2000A Sondy prądowe do 2000A (przy 40kV) do pracy w sieci SN, uznane i stosowane przez wielu renomowanych producentów. |
||
| VLW40kVC - sondy napięciowe do 40kV Sondy napięciowe do 40kV do pracy w sieci SN. |
||
| CC11 - Jednofazowe źródło prądu przemiennego Jednofazowe źródło prądu przemiennego klasy 0,2 o częstotliwości do 50/60Hz i przesunięciu fazowym względem napięcia zasilania 0° lub 180°. CC11 umożliwia generację prądu do 5A przy napięciu zasilania 85..264V. |
||
|
EL10 - Wymuszalnik prądowy Wymuszalnik prądowy EL10 jest jednofazowym źródłem prądu przemiennego i służy do wymuszenia przepływu prądu o wartości do 5A przez cewki prądowe liczników bez konieczności odłączania układu pomiarowego od sieci. |
||
|
ET30 - Duża kaseta transportowa
|
||
|
ET31 - Średnia kaseta transportowa
|
||
|
ET32 - Mała kaseta transportowa
|
||
| AD100EXT - Adapter Adapter jest przeznaczony do zasilania analizatora TE30 Lite z obwodu pomiarowego. |
Oprogramowanie opcjonalne:
FAQ - Najczęściej zadawane pytania:
- Co należy zrobić, aby korzystać z funkcjonalności REC (rejestracji parametrów sieci) oraz TT (testowania przekładników) testera TE30 Lite?
- Jakie są najważniejsze różnice pomiędzy TE30, a TE30 Lite?
1. Co należy zrobić, aby korzystać z funkcjonalności REC (rejestracji parametrów sieci) oraz TT (testowania przekładników) testera TE30 Lite?
Aby korzystać z funkcjonalności REC lub TT należy zakupić klucz licencyjny rozszerzający funkcjonalność TE30 Lite o funkcję REC lub TT (albo obie jednocześnie).
Funkcjonalność REC umożliwia pomiar, rejestrację oraz analizę parametrów jakości energii.
Funkcjonalność TT umożliwia wykonanie testu obciążalności, błędu kątowego oraz przekładni zarówno przekładników napięciowych PT, jak i prądowych CT. Klucz licencyjny generowany jest zdalnie przez producenta i może zostać wgrany samodzielnie przez użytkownika w każdym momencie po zakupie urządzenia lub przez producenta w momencie zakupu TE30 Lite.
2. Jakie są główne różnice pomiędzy TE30, a TE30 Lite?
TE30 Przenośny Trójfazowy Tester Liczników wykonywany jest w klasie 0,1%, lub 0,05%, natomiast TE30 Lite jest dostępny w klasie 0,2%.
TE30 Przenośny Trójfazowy Tester Liczników umożliwia bezpośredni pomiar prądu do 12A, natomiast TE30 Lite Przenośny Trójfazowy Tester Liczników umożliwia za pomocą cęgów pomiar prądu do 3000A (w zależności od wybranych opcjonalnie cęgów pomiarowych).
Pobierz
Aby uzyskać dostęp do większej ilości materiałów o urządzeniach Calmet
zachęcamy do skorzystania z zakładki Pobierz

English
Deutsch
Français
Español
Português
Pусский